- Details
-
Состояние: НовоеЦвет:
- Разноцветный
Категории:- Книги
- Научные
Описание
Руководство по ремонту Toyota Land Cruiser Prado 150 с 2009 года выпуска,
оборудованных бензиновыми 1GR-FE (4,0 л), 2TR-FE (2,7 л) и дизельным 1KD-FTV
(3,0 л Common Rail) двигателями.
Издание содержит руководство по эксплуатации, описание систем, подробные
сведения по техническому обслуживанию автомобилей, диагностике, ремонту и
регулировке некоторых элементов систем двигателя (в т.ч. систем впрыска
бензиновых двигателей, топливной системы Common Rail дизельного двигателя,
зажигания, турбонаддува, запуска и зарядки), элементов автоматических коробок
передач (АКПП), раздаточной коробки (включая систему блокировки межосевого
дифференциала), переднего и заднего редукторов (включая систему блокировки
заднего дифференциала), элементов тормозной системы (включая гидравлический
усилитель тормозов, антиблокировочную систему тормозов (ABS), системы
экстренного торможения (ВА), распределения тормозных сил (EBD) и улучшения
управляемости автомобиля, рулевого управления (включая системы регулировки
положения рулевой колонки и усилителя рулевого управления с адаптацией по
скорости (VFS)), подвески (включая систему стабилизации положения кузова
(KDSS), активную систему управления высотой расположения кузова (АНС) и
систему изменения жесткости амортизаторов (AVS)), кузовных элементов, систем
кондиционирования (АС) и вентиляции, системы пассивной безопасности (SRS).
Приведены инструкции по диагностике 23 электронных систем: управления
бензиновым и дизельным двигателями, АКПП, AHC/AVS, KDSS, рулевого управления,
ABS, улучшения управляемости (модели с вакуумным и гидравлическим усилителем
тормозов), кондиционирования, SRS, предаварийной безопасности (PCS), Smart,
противоугонной системы, комбинации приборов, системы освещения, электропривода
стеклоподъемников и люка, электропривода передних сидений, Multivision, систем
парковки (Parktronic и Park Assist), а также заднего обзора, кругового обзора,
иммобилайзера, поддержания скорости (в т.ч. адаптивной).
Подробно описаны 938 кодов неисправностей P0, P1, Р2, C0, С1, В1, В2, U0, U1,
Flash и возможные причины возникновения.
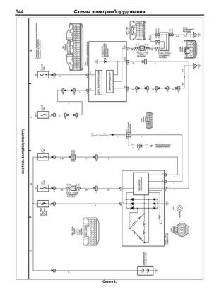
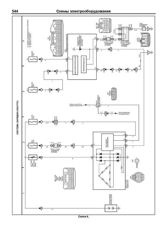
Представлены 67 основных электросхем для различных вариантов комплектации и
описание проверок основных элементов электрооборудования.
Информация для профессиональной диагностики и ремонта электрооборудования
различных систем автомобиля представлена в диагностической онлайн-системе
MotorData. Используя быстрые переходы по интерактивным ссылкам, Вы сможете
решить проблему быстрее и сэкономить время. Подробности на ************
В разделе «Полезные ссылки» подобраны и отсортированы ссылки (в виде QR-кодов
и url-ссылок) на интернет-ресурсы, содержащие наиболее интересную и грамотную
информацию по Вашему автомобилю.
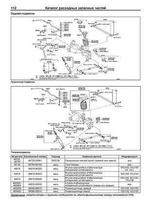
Приведены возможные неисправности и методы их устранения, сопрягаемые размеры
основных деталей и пределы их допустимого износа, рекомендуемые смазочные
материалы, рабочие жидкости и номера расходных запчастей, необходимых для
технического обслуживания, размеры рекомендуемых и допускаемых шин и дисков.
Книга серии "Автолюбитель" позволит вам самостоятельно проводить периодическое
техническое обслуживание автомобиля или несложный ремонт, для которого не
требуется дорогостоящего оборудования. Также книга серии "Автолюбитель" может
выручить вас в дороге, если вам придется пользоваться услугами автосервиса,
незнакомого или малознакомого с особенностями модели вашего автомобиля. Для
более сложного ремонта электронных систем в книге представлены основные
электросхемы и базовая диагностика электронных систем.
Характерные для данного автомобиля неисправности предупредят водителя о
возможных поломках узлов и деталей и позволят найти приемлемое решение
проблем, каталог наиболее востребованных запчастей, описание схем их
самостоятельной покупки и подробное рассмотрение конструкции узлов автомобиля
дадут вам возможность сэкономить на приобретении запчастей. Качественное
изложение материала позволяет сократить время обслуживания автомобиля и
сдСостояние: НовоеЦвет:- Разноцветный
Категории:- Книги
- Научные
- Shipping
-
Shipping Policy
Location shipping method Price Shipping TO US USPS FREE Air and ground shipment time frames are business days only, and exclude weekends and/or holidays.
*All Shipping costs are included.No extra tax or handing fee. - Reviews
-
No reviews yet

Loading..

